The 40 000 series
Shock pulse transducers in the 40 000 series are used in permanent SPM installations for bearing monitoring. They are installed in countersunk mounting holes on the bearing housings. A shock pulse transducer converts the shock pulses emitted by the bearing into electric signals. A coaxial cable connects the transducer with a measuring terminal or measuring device. Maximum cable length is 4 m (extendable to 100 m with external TMU).

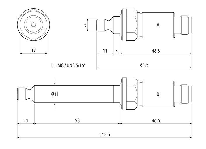
Transducer housing and base are made of stainless acid-proof steel, suitable for aggressive environments. Standard thread size is M8, with UNC 5/16" as an alternative. Standard length (A) is 61.5 mm. A long transducer (B), length 115.5 mm, is used to reach bearing housings beneath protective covers. The transducer is usually connected with a TNC plug. A TNC angle plug can be used in narrow spaces. To prevent cable corrosion in moist environments, the coaxial cable must be connected with a sealing TNC plug.